Bonjour,
Je suis en train de modéliser un moteur promo dans le but de le faire usiner.
Vous reconnaîtrez certaines pièces que j'ai copié car difficile de partir d'une feuille blanche.
Si je ne peux pas m'en servir je les modifierai.
Pour ce qui est du carter central, je me suis servis du plan ufolep, il faut que les perçages soient aux côtes origine mais faut-il tous les faire? Je pense au trou pour bloquer le vilebrequin notamment.
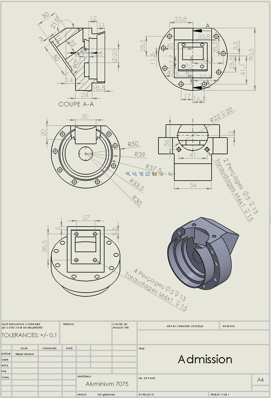
Pour ce qui est de l'admission j'ai pensé mettre des clapet de mbk 51 d'origine (lanterne), il y a un fichier des clapets modélisés sur dropbox  
mais version trop récente de solidworks pour que je puisse l'ouvrir. Si quelqu'un a un plan d'un carter pour ces clapets je suis preneur.
Pour l'allumage, il faut mettre une platine peugeot/mbk puis une seconde platine en fonction de la marque de l'allumage choisi?
Beaucoup de questions d'un coup mais c'est pour m'assurer que tout ce montera sa problèmes et que ce soit homologué.
Merci
			
				
