Page 1 sur 2
Cage a roulement Timken de direction

Posté:
29 Mar 2013, 13:44
de nicosddone
Bonjour
Ayant acheté un SP j'ai besoin de cages a roulements de direction timken.
J'ai trouvé un artisan qui par nous ferais des pieces par 10 a 27 eu unitaire d'apres le plan de paulo.
A moins de 10 ce serais 32 euros.
+ ports
Si l'un d'entre vous peut lancer une serie a un tarif plus intéressant je suis prenneur.
Merci
Re: Cage a roulement Timken de direction

Posté:
29 Mar 2013, 16:59
de harrondo
Tu as quoi en délais? On avait fait la série que Paulo a géré donc on a déjà le programme cn de fait
Re: Cage a roulement Timken de direction

Posté:
29 Mar 2013, 17:24
de Paulo
Je crois qu'il m'en reste 2. Je vérifie ce we.
Re: Cage a roulement Timken de direction

Posté:
29 Mar 2013, 20:31
de nicosddone
C'est une modif que j'aimerais faire mais qui n'est pas indispensable pour rouler en l'etat..donc soit je peux attendre une deuxieme serie soit celles que tu aurait m'intéressent !
Dis moi en MP a l'okaz !
merci Paulo
Re: Cage a roulement Timken de direction

Posté:
08 Avr 2013, 13:37
de harrondo

à tous,
ayant reçu quelques demandes par mail, combien de personnes (et quelles quantités) seraient intéressés par des cage à roulement Timken comme celle que nous avions usiné auparavant?
Hadrien
Re: Cage a roulement Timken de direction

Posté:
08 Avr 2013, 14:27
de Clefd'treize
2 ou 4 suivant tarif
Re: Cage a roulement Timken de direction

Posté:
08 Avr 2013, 16:21
de seb
voir tarif... j ai un pote qui veut monter un solex...
a+
Re: Cage a roulement Timken de direction

Posté:
09 Avr 2013, 17:11
de dlx35
bonjour , 4 cages suivant tarif et disponibilité car c'est pour le RNS.merci
Re: Cage a roulement Timken de direction

Posté:
09 Avr 2013, 20:14
de solex166
un lien pour rappel du modèle?
Re: Cage a roulement Timken de direction

Posté:
09 Avr 2013, 20:29
de harrondo
viewtopic.php?f=43&t=5447&start=15faut que je retrouve le plan maintenant

Re: Cage a roulement Timken de direction

Posté:
09 Avr 2013, 20:36
de harrondo

- 22022011208.jpg (27.1 Kio) Vu 14809 fois
et un plan mais ce n'est pas le dernier

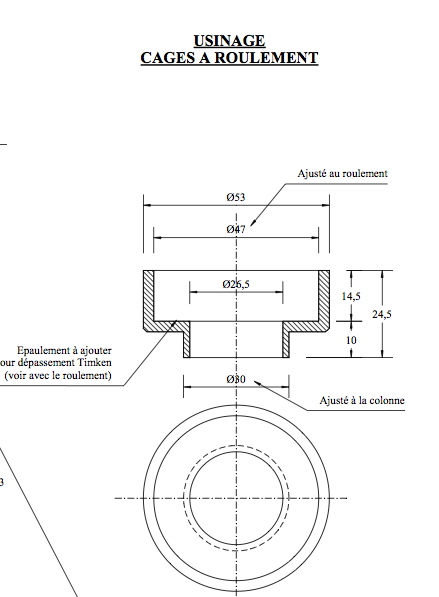
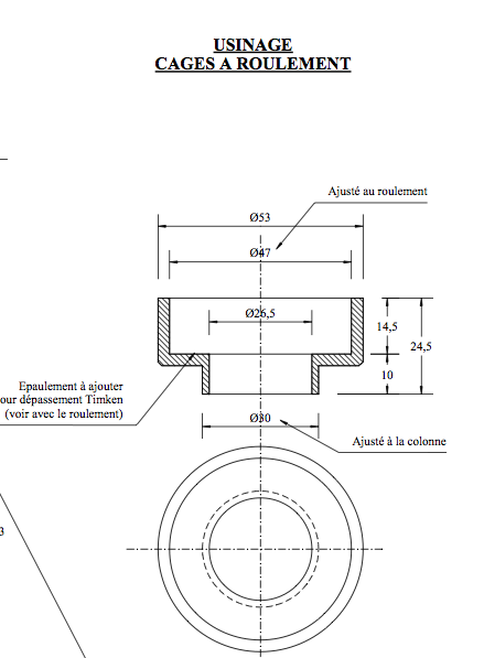
- plan logement timken.png (50.32 Kio) Vu 14809 fois
Re: Cage a roulement Timken de direction

Posté:
09 Avr 2013, 20:54
de Paulo
c'est celui la


- plan coupelle timken.jpg (333.19 Kio) Vu 14802 fois
avec 2 ou 3 trous pour pouvoir virer la portée oblique du roulement
Re: Cage a roulement Timken de direction

Posté:
09 Avr 2013, 21:53
de nicosddone
2 pour moi si tarif tjs aussi competitif
Re: Cage a roulement Timken de direction

Posté:
09 Avr 2013, 21:55
de harrondo
pour le prix je vous redirai cela, la priorité semble être le délais.
Re: Cage a roulement Timken de direction

Posté:
09 Avr 2013, 21:57
de nicosddone
moi j'ai le temps