Page 1 sur 2
[SERIE] Logement roulement conique Timken

Posté:
11 Jan 2011, 21:16
de Paulo
]Bonjour à tous !
Pour rebondir sur un sujet précédent, je lance une série de logement pour roulement conique timken 25x47x16.
Pour un lancement par 5 pièces, le prix est de 15€/unité fdp non compris.
Le logement sera usiné en inox.
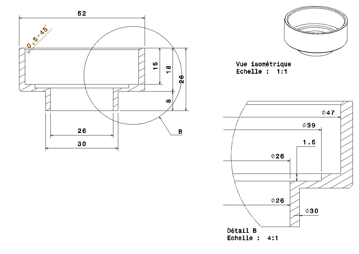
Première ébauche de plan.

- coupelle 25_47_16.jpg (81.62 Kio) Vu 14668 fois
Personnes intéressées:
-Paulo x1
-Pinpin x2
-Frykosolex35 x2
-Guiguisolex x2
Re: [SERIE] Logement roulement conique Timken

Posté:
16 Jan 2011, 17:29
de Frykosolex35

je pense t'en prendre une paire, je vais voir suite a ton plan.
Re: [SERIE] Logement roulement conique Timken

Posté:
18 Jan 2011, 10:46
de Paulo
Déjà 7 unités réservées.
Re: [SERIE] Logement roulement conique Timken

Posté:
18 Jan 2011, 20:13
de guiguisolex
Je prends une paire aussi.
Le montage dans le cadre se fait manchonné par l'intérieur c'est bien ça ??
Ou glissant sur l'extérieur plus soudage??

Re: [SERIE] Logement roulement conique Timken

Posté:
18 Jan 2011, 20:18
de Paulo
emmanché par l'inter.
Plan sous peu (d'ici ce we je pense)
Re: [SERIE] Logement roulement conique Timken

Posté:
18 Jan 2011, 20:22
de guiguisolex
Re: [SERIE] Logement roulement conique Timken

Posté:
18 Jan 2011, 22:14
de Paulo
Plan publié dans mon premier post.
Pour infos, les plans sont dessinés par Pinpin.
Quelques détails à régler avant plan définitif:
-tolérance à appliquer sur ces cotes (idées?)
- ajouter 3 petits trous pour permettre de démonter la grande bague du roulement
Re: [SERIE] Logement roulement conique Timken

Posté:
18 Jan 2011, 23:46
de Frykosolex35
Je prend aussi!

de cette initiative que de faire une serie de piece ca m'arrange beaucoup! Niveau toléance je sais pas de trop, serré mais pas de trop que l'on ne soit pas obliger de tirer dessus avec un tracteur pour que sa sorte au démontage! Bien les trous pour démonter la bague du roulement! Ils seront taraudées pour permettre de chasser la bague en vissant une vis?
Re: [SERIE] Logement roulement conique Timken

Posté:
18 Jan 2011, 23:48
de Paulo
je crains qu'il n'y ait pas assez d'épaisseur pour tarauder (3 mm).
Re: [SERIE] Logement roulement conique Timken

Posté:
19 Jan 2011, 00:12
de Frykosolex35
les trous sont de quel diametre?
Re: [SERIE] Logement roulement conique Timken

Posté:
19 Jan 2011, 00:23
de harrondo
il serait plus judicieux de souder le logement au cadre!

Re: [SERIE] Logement roulement conique Timken

Posté:
19 Jan 2011, 00:42
de guiguisolex
harrondo a écrit:il serait plus judicieux de souder le logement au cadre!

Le soucis c'est qu'il faut la jouer très fine car quand tu viens d'usiner une pièce le top c'est pas e la souder derrière car souvent ton rond devient patate. C'est surement possible mais il faut un soudeur très avertit !!
Re: [SERIE] Logement roulement conique Timken

Posté:
19 Jan 2011, 03:35
de harrondo
ouais exacte, ou alors y coller et y pointé juste histoire que ca soit bien solide et assez rigide? je sais pas
Re: [SERIE] Logement roulement conique Timken

Posté:
19 Jan 2011, 10:12
de Pinpin
L'inox et l'acier standard de la poutre, ca se soude bien ?
Pour les 3 trous en partie inférieure, pour sortir la bague, je pensais à des trous lisses à 120° permettant de faire passer un chasse. Pas de taraudage, il n'y a pas d'épaisseur.
Re: [SERIE] Logement roulement conique Timken

Posté:
19 Jan 2011, 10:24
de Paulo
Tu souleves un bon point.
Tout dépend de la technique de soudage: au tig pas de soucis, a la brasure pas top, et au mig je ne sais pas.
On peut adapter la matière acier ou inox pour la série si certains ont des moyens limités pour souder.