Page 1 sur 5

Vilebrequin type origine

MessagePosté: 10 Mar 2018, 00:49
de GGTURBO
:salut:

Après mettre exprimé dans le blog du nouveau règlement, j'ai eu beaucoup de demande pour des vilos de refabrication.
C'est comme ça qu'au final j'ai appris que ce type de vilebrequin était officiellement autorisé au règlement du RN'S en catégorie proto.

Je ne comptais pas me lancer dans ces produits car les galets me demandent déjà beaucoup de travail.
Mais il n'y a que les imbéciles qui ne change pas d'avis et au final, ça ne fait qu'un seul plan à gérer donc comparer aux galets ça sera bien plus simple.

Bien que beaucoup de personne semble avoir la réponse, je ne m'exprimerai pas en ce qui concerne la conformité au futur règlement pour la catégorie promotion.
A ce jour j'estime que ça n'est pas autorisé car aucune infos contraire n'a officiellement été diffusé.
C'est pourquoi si il y a des intéressés, les personnes qui participe au RN'S seront prioritaires vue le délai pour les livrer à temps.

Pour cette pièce, je me suis conformé au plan officiel diffusé dans le règlement technique du RN'S, toutes les cotes apparentes sur ce plan sont respectées, pour celle qui manque (et il y en a) j'ai repris les cotes sur un vilebrequin d'origine de 3800.

Voilà quelques aperçu en 3D, un prototype devrait être réalisé dans la semaine qui vient.

Aperçu 1.PNG

Aperçu 2.PNG

Aperçu 3.PNG


Point important, il est écrit sur le règlement que le vilebrequin peut être renforcé.
Au départ, je pensais proposer deux types de vilebrequin, un en 40CMD8 prétraité à 110kg ce qui aurai donné un vilebrequin déjà beaucoup plus solide que l'origine, et un encore plus solide en 35NCD16 traité à 140kg (comme les vilebrequins de proto et SP que je fabrique d'ordinaire).
Finalement j'ai choisi de vous proposer la version en 35NCD16 qui sera légèrement plus chère mais tellement solide que je pense que ça compensera son tarif plus élevé.
Pour être précis, voilà comment seront fabriqué ces vilebrequins :
- la base sera donc du 35NCD16
- une ébauche sera usiné puis envoyé au traitement pour une trempe à cœur à 140kg
- l'ébauche sera reprise en tournage pour réaliser la queue et commencer la masse
- la pièce sera ensuite reprise en fraisage pour finir la masse et réaliser le maneton
- pour finir la pièce sera reprise en rectification pour reprendre les deux portées de roulement
Tout cela sera fait avec de la matière de qualité, chez des professionnels et sur machine à commande numérique.
Afin de réduire le tarif, les pièces seront réalisées que par série de minimum 15 pièces (pour que ça utilise une barre entière de matière).

Au final, le tarif pour un vilebrequin sera de 135€ (FDPC).
Mon usineur m'a annoncé que le tarif sera abaissé à 130€ mais qu'à partir de 50 pièces commandées, voir 125€ pour 100 pièces. On en est pas encore là.
Je sais d'avance que certain diront que ça fait cher pour un vilo d'origine mais j’appuie sur le fait qu'on est très loin point de vue qualité d'un vilo hollandais qui se vend déjà 90€ sans le port.

Il sera éventuellement possible de rajouter une rainure de clavette mais ça sera en supplément et je n'ai pas encore demander le tarif à mon usineur.

Pour les intéressés, contacter moi au plus vite par MP pour que je puisse vous livrer pour le RN'S.

Re: Vilebrequin type origine

MessagePosté: 12 Mar 2018, 23:13
de r4gt kanotix
salut ,

sur cette base de vilo , y a t il a possibilité d une version sur mesure :?:

je demande ca pour le proto que je dispo ( ex-Seb 37 ) donc j ai le maneton en vrac après l avoir mis a rude épreuve après son achat :!:

:wink:

Re: Vilebrequin type origine

MessagePosté: 12 Mar 2018, 23:46
de GGTURBO
:salut:

Dans le cadre de cette série ça va être compliqué car le prix bas va avec le fait qu'il s'agit d'une série.

Par contre une fabrication sur mesure est tout à fait envisageable.

MP :arrow:

Re: Vilebrequin type origine

MessagePosté: 18 Mar 2018, 19:30
de GGTURBO
:salut:

Afin de pouvoir livrer assez tôt, je vais arrêter les commandes à la fin de la semaine.
Dès demain je contacterai ceux qui se sont déjà manifesté pour commencer de demander les paiements.
L'objectif sera d'avoir validé toutes les commandes d'ici le début de la semaine suivante pour commencer la production dans la foulée.
A ce jour il n'y aura qu'une dizaine de pièce produite mais la série se fera quand même au tarif annoncé.

Pour info, le pense mettre des photos du prototype courant de semaine.
Dans tout les cas, ce vilebrequin respectera le règlement suivant tout les points définis par le règlement.

Pour ceux qui ne se sont pas manifesté, faites vite !

Re: Vilebrequin type origine

MessagePosté: 19 Mar 2018, 19:52
de GGTURBO
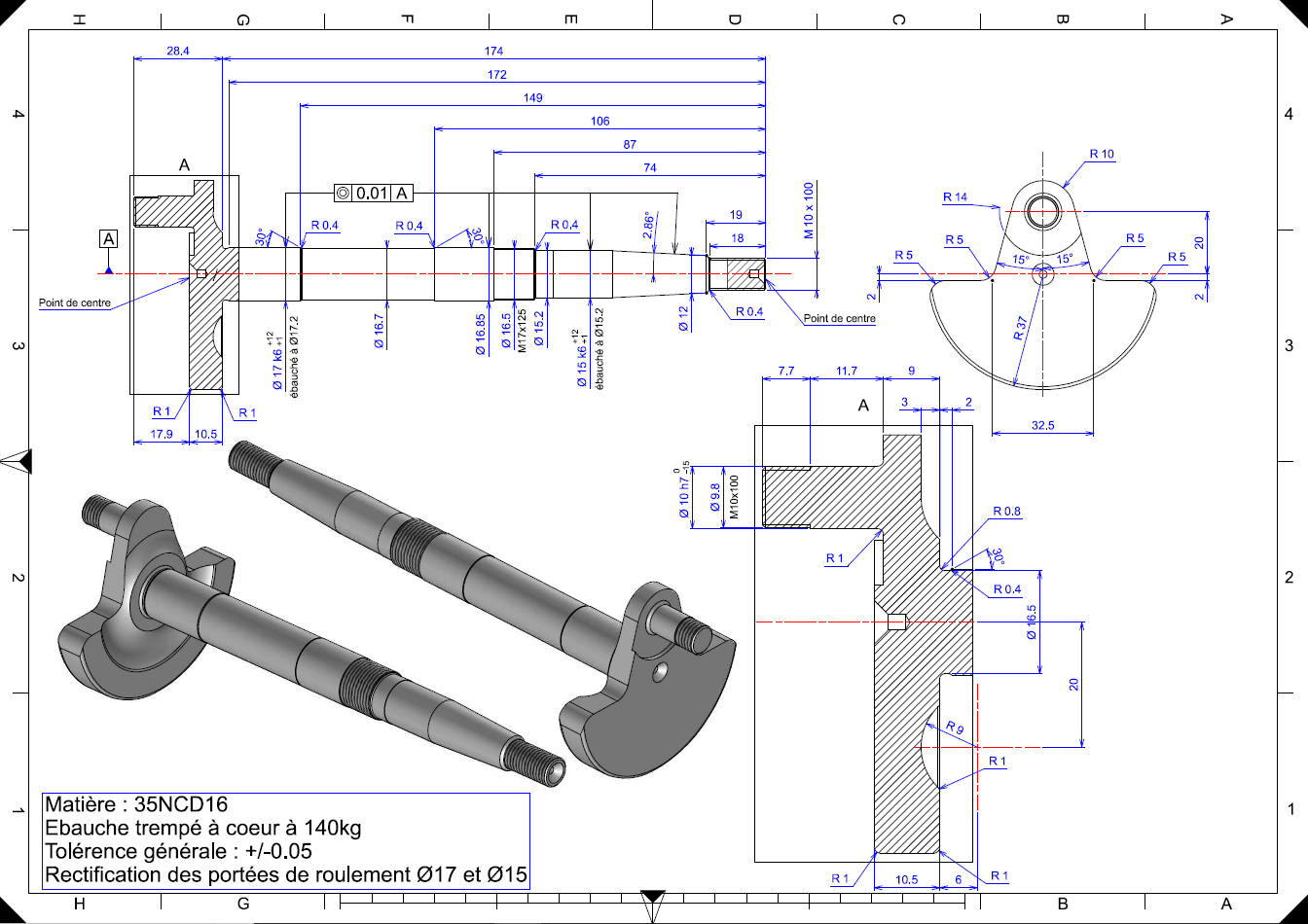
Pour info, voilà le plan qui servira à la fabrication du vilebrequin
vilebrequin type origine.PNG


Demain, je compte voir mon usineur pour voir la possibilité et le tarif pour rajouter une rainure de clavette pour le galet voir aussi la rainure de clavette pour le rotor.

Re: Vilebrequin type origine

MessagePosté: 20 Mar 2018, 19:35
de GGTURBO
:salut:

Il sera possible d'avoir une rainure pour le rotor ou pour le galet (dimension à confirmer à la commande) pour 25€ de plus.
Dans le cas ou vous souhaiteriez avoir les deux rainures, le tarif sera de 40€.

A ce jour j'ai 15 réservations, je vais contacter les intéressés pour passer à la phase de validation.

Il est encore temps de passer commande mais faites vite car je compte donner le feu vert pour la production début de semaine prochaine. Après ce délai, je ne sais pas si je pourrai livrer à temps pour le RN'S.

A+!

Re: Vilebrequin type origine

MessagePosté: 27 Mar 2018, 16:22
de GGTURBO
:salut:

Juste pour dire que les commandes sont bloquées pour cette série qui au final aura quand même atteint les 15 pièces.
J'ai déjà reçu la majorité des chèques.

La matière à été commandé hier matin.

Re: Vilebrequin type origine

MessagePosté: 04 Avr 2018, 16:58
de GGTURBO
:salut:

Certain auront vu le proto ce week en à Sainte Sévère, voilà les photos
WP_20180404_003.jpg

WP_20180404_004.jpg

Re: Vilebrequin type origine

MessagePosté: 05 Avr 2018, 07:26
de shadocs
GGTURBO a écrit::salut:

Certain auront vu le proto ce week en à Sainte Sévère, voilà les photos
WP_20180404_003.jpg

WP_20180404_004.jpg


:clap: c'est beau !

Re: Vilebrequin type origine

MessagePosté: 07 Avr 2018, 10:59
de sylv11
Juste par curiosité: combien de temps prend l'usinage de ce vilo?

Re: Vilebrequin type origine

MessagePosté: 08 Avr 2018, 17:15
de GGTURBO
C'est surtout une question de disponibilité machine et de temps de réglage. Pour le cas de cette série, l'objectif est de la réaliser en 1 mois.
Maintenant, si on parle juste de temps d’usinage et qu'on néglige les temps d’approvisionnement matière, de réglage machine et de traitement, je pense que tout doit pouvoir ce faire en 1h/1h30 (vive la CN). Sinon, je pense qu'il faut une petite journée en conventionnel.

Re: Vilebrequin type origine

MessagePosté: 24 Avr 2018, 14:05
de GGTURBO
:salut:

Juste un petit message pour dire que le tournage est fini, enfin presque, il faut juste faire une petite reprise pour faire le filetage de l'écrou d'allumage mais ça devrait pas prendre longtemps.
Jusqu'ici tout ce déroule bien, j'espère que le fraisage ne se fera pas trop attendre car pour le moment on est dans les temps mais il n'y a pas beaucoup de marge.

Affaire à suivre...

Re: Vilebrequin type origine

MessagePosté: 27 Avr 2018, 19:55
de GGTURBO
:salut:

Usinage fini, reste la rectification.
Mon rectifieur fait le pont mais il devrait s'occuper des vilos dès mercredi.
WP_20180427_20_28_59_Pro.jpg

Re: Vilebrequin type origine

MessagePosté: 28 Avr 2018, 14:13
de sylv11
retraité des courses de solex depuis...un certain temps, je trouve ces pièces splendides pour un prix très correcte en plus.
D'une manière général, je tire mon chapeau à ceux qui investissent du temps de façon concrète (qu'ils proposent des pièces ou des courses) pour que cette discipline demeure vivante.
Avec des vilos comme ça, les promos vont en théorie augmenter leurs perfs non? (hors sujet...)

Re: Vilebrequin type origine

MessagePosté: 02 Mai 2018, 14:50
de KERDANIEL
Belles pièces en effet!
En théorie ces vilos rendront les PROMOS plus fiables mais le réglement 2018 les autorisant
n'étant pas encore sorti seuls les vilos d'origine sont de mise.
Quand à augmenter les performances cela reste à voir avec la restriction au carbu et à l'échappement toujours d'actualité.
Par contre cela me redonne une petite envie de PROTO AIR STR.
Amicalement.