Page 1 sur 2
cotes de cône d'allumage

Posté:
27 Fév 2013, 16:56
de crusty
Salut,
je cherche les cotes de différents cônes (diamètre mini et maxi ainsi que l'angle exacte).
Peugeot grosse soie,
Minarelli
Derbi
quelqu un aurais ca?
Re: cotes de cône d'allumage

Posté:
27 Fév 2013, 17:03
de harrondo
j'ai le derbi, j'éssais d'y penser ce soir
Re: cotes de cône d'allumage

Posté:
27 Fév 2013, 18:17
de crusty
merci mon lapin
Re: cotes de cône d'allumage

Posté:
27 Fév 2013, 19:41
de harrondo

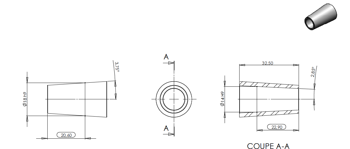
- cone pvl derbi.png (42.38 Kio) Vu 12526 fois
de rien petit bizounours

c'est le cone extérieur, l'intérieur correspond au cone solex ( c'est le plan du cone d'adaptation)
Re: cotes de cône d'allumage

Posté:
27 Fév 2013, 21:38
de crusty
et le cône solex c'est le même angle?
Re: cotes de cône d'allumage

Posté:
27 Fév 2013, 22:05
de Mac Galet-R
Ce que j'ai en tête c'est une conicité de 1:10 soit un demi-angle de 5.71° pour les vilos Solex et MBK51.
Re: cotes de cône d'allumage

Posté:
27 Fév 2013, 22:14
de GGTURBO
Je me permet de rectifier, la conicité est bien de 1:10 mais ça correspond à l'angle totale sot 2.86° pour le demi-angle et cette pente est valable pour les cônes 103, 51 et solex. Seul les diamètres sont différents.
Re: cotes de cône d'allumage

Posté:
27 Fév 2013, 22:32
de Mac Galet-R
Tu fais bien de rectifier. Autant pour moi...

J'avais un doute sur la définition mathématique de la conicité, à savoir si elle se définissait au rayon ou au diamètre. J'ai choisi le mauvais. Désolé.
Re: cotes de cône d'allumage

Posté:
27 Fév 2013, 22:52
de GGTURBO
Y a pas de mal !
J'en profite pour rajouter qu'il faut faire attention aux infos que vous trouverez sur le forum concernant les différentes dimensions des cônes Solex/103 ou Solex/51, car j'ai trouvé beaucoup de contradictions quand je cherchais les infos avant de lancer mes séries.
Pour info, si certain d'entre vous cherche des cônes Solex/103 ou Solex/51, je vais en faire quelques un d'ici peut histoire d'avoir un peut de stock et réduire les délais de livraison.
Re: cotes de cône d'allumage

Posté:
27 Fév 2013, 23:50
de harrondo
crusty, va sur la droite de l'image, tu auras l'angle pour le vilo solex
Re: cotes de cône d'allumage

Posté:
28 Fév 2013, 09:47
de crusty
ah merde, je me fait tjrs avoir!!! je trouvai bizzard aussi que ton plan soit incomplet ...
je clique sur la photo pour l'agrandir mais ca squize une partie ... arrrf
merciiii
Re: cotes de cône d'allumage

Posté:
28 Fév 2013, 10:22
de Paulo
sinon faire clique droit ->ouvrir dans un nouvel onglet

Re: cotes de cône d'allumage

Posté:
28 Fév 2013, 15:15
de granjoie
GGTURBO a écrit::salut:
Je me permet de rectifier, la conicité est bien de 1:10 mais ça correspond à l'angle totale sot 2.86° pour le demi-angle et cette pente est valable pour les cônes 103, 51 et solex. Seul les diamètres sont différents.
Pas 103
Pour Crusty...
Désolé, mais j'ai l'impression que vous faites erreur depuis le début.
Un cone derbi/AM6/Minarelli scooter et Peugeot 103 c'est une conicité de 1:5 soit 11,42° d'angle total et 5.71° de demi angle.http://www.shop-racing.com/rotor-pvl-99 ... L_9905.cfmAdrien t'es sure de tes schémas???
Bonne journée
Re: cotes de cône d'allumage

Posté:
28 Fév 2013, 15:45
de harrondo
sur et certain, enfin les allumages vendu par wilfried sont bien pour derbi non?
c'est les cones que j'ai sur le promo et c'est ajusté vraiment au poil
Re: cotes de cône d'allumage

Posté:
28 Fév 2013, 15:52
de GGTURBO

Seb !
Je confirme ce que j'ai dit en apportant une précision, la pente de 1:10 concerne les cônes 103 "rupteur" (gros cône).
Pour la conicité de 1:5 je confirme ce que tu dit pour Derbi et AM6, par contre pour 103 ça doit concerner les cônes "électronique" (petit cône).
J'ai aussi un petit doute sur la pente extérieure de ton cône adrien car je pensais que les cône PVL était à 1:5 mais je n'ai pas eu l'occasion d'en fabriquer donc pas vérifier. De toute façon il y a surement plusieurs version chez PVL car il y a même des rotors brut avec un alésage cylindrique à réusiner.