Salut,
je cherche les cotes de différents cônes (diamètre mini et maxi ainsi que l'angle exacte).
Peugeot grosse soie,
Minarelli
Derbi
quelqu un aurais ca?












GGTURBO a écrit::salut:
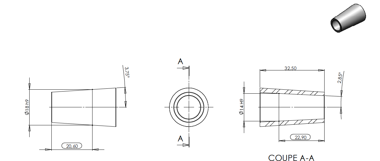
Je me permet de rectifier, la conicité est bien de 1:10 mais ça correspond à l'angle totale sot 2.86° pour le demi-angle et cette pente est valable pour les cônes 103, 51 et solex. Seul les diamètres sont différents.



Retourner vers Préparation mécanique base prototype
Utilisateurs parcourant ce forum: Aucun utilisateur enregistré et 11 invités