Recherche avancée
  • Accueil
  • Forum
  • Garage
  • Blogs
  • Photos
  • Videos
  • Aide
  • Index du forum ‹ Préparation Mécanique Solex ‹ Préparation mécanique base origine
  • Modifier la taille de la police
  • Imprimer le sujet
  • FAQ
  • Membres
  • Connexion

platine pour allumage ducati mbk

Origine | Origine Amélioré | Promotion
Répondre
9 messages • Page 1 sur 1

platine pour allumage ducati mbk

Messagede campelex_team » 28 Oct 2013, 22:27

bonjour je suis de retour
je suis a la recherche de plan pour faire des platine pour allumage ducati de mbk a monter sur carter d'origine

pour être bien d"accord il faut empiler dans cette ordre
-carter moteur
-cloche embrayage
-platine adaptation
-allumage

car la platine que j'ai je ne peut pas la monter car en la montant le roulement sur force sur mon vilo et le pousse contre le carter latéral.
voila
si quelqu'un a ça en stock et des explication
merci
n°97 campelex_team

1° OA a parsac 2014
1° OA a st severe 2015
Avatar de l’utilisateur
campelex_team
Fou du Solex
Fou du Solex
 
Messages: 276
Inscription: 01 Juin 2009, 20:22
Localisation: champeaux 77

2010 Solex Origine Course Cyl. origine Air 5 Tr
Haut

Re: platine pour allumage ducati mbk

Messagede solex-_-3800luxe » 28 Oct 2013, 22:52

A mon avis tu dois mal monter ta platine avec ton roulement sur ton vilo pour arriver a décaler ton bas moteur :wink:
Avatar de l’utilisateur
solex-_-3800luxe
Pilier de comptoir de Solex-Compétition
Pilier de comptoir de Solex-Compétition
 
Messages: 714
Inscription: 13 Fév 2009, 20:12
Localisation: Lyon

2009 origine ameliorer 3800
Haut

Re: platine pour allumage ducati mbk

Messagede campelex_team » 29 Oct 2013, 19:24

c'est bon j'ai réussi a monter le tout
en faite avant je finissais de la mettre en vissant les vis et la je l'ai mi en buter et appret j'ai sérrer les vis
c'est bon sa fonctionne
n°97 campelex_team

1° OA a parsac 2014
1° OA a st severe 2015
Avatar de l’utilisateur
campelex_team
Fou du Solex
Fou du Solex
 
Messages: 276
Inscription: 01 Juin 2009, 20:22
Localisation: champeaux 77

2010 Solex Origine Course Cyl. origine Air 5 Tr
Haut

Re: platine pour allumage ducati mbk

Messagede campelex_team » 29 Oct 2013, 21:04

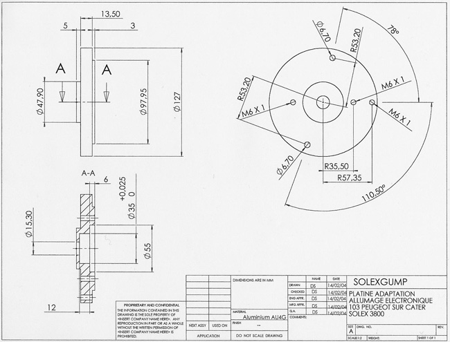
sur ce type de platine comme sur la plan de gump il n'y a pas moyen de monter un ducati de 51 ?
sinon quel est la différence
merci
n°97 campelex_team

1° OA a parsac 2014
1° OA a st severe 2015
Avatar de l’utilisateur
campelex_team
Fou du Solex
Fou du Solex
 
Messages: 276
Inscription: 01 Juin 2009, 20:22
Localisation: champeaux 77

2010 Solex Origine Course Cyl. origine Air 5 Tr
Haut

Re: platine pour allumage ducati mbk

Messagede r4gt kanotix » 30 Oct 2013, 22:15

campelex_team a écrit:sur ce type de platine comme sur la plan de gump il n'y a pas moyen de monter un ducati de 51 ?
sinon quel est la différence
merci


hello , oui avec un cone pour le volant 51 :wink:
fais le toi meme ! aide toi et le ciel t aidera !!

http://www.winux-91.skyrock.com & http://www.jouef-sncf-91.skyrock.com

(°;...;°)
Avatar de l’utilisateur
r4gt kanotix
Grand malade du Solex , irrécupérable
Grand malade du Solex , irrécupérable
 
Messages: 2501
Inscription: 11 Juil 2007, 14:20

1973 origine ameliorer 5000
Haut

Re: platine pour allumage ducati mbk

Messagede campelex_team » 01 Nov 2013, 18:09

bonjour j'ai fait un plan pour une platine et je voulais savoir si les cotes vous convienne
[img][img]http://img11.hostingpics.net/thumbs/mini_112804platineallumageducati001.jpg[/img][/img]
merci
n°97 campelex_team

1° OA a parsac 2014
1° OA a st severe 2015
Avatar de l’utilisateur
campelex_team
Fou du Solex
Fou du Solex
 
Messages: 276
Inscription: 01 Juin 2009, 20:22
Localisation: champeaux 77

2010 Solex Origine Course Cyl. origine Air 5 Tr
Haut

Re: platine pour allumage ducati mbk

Messagede r4gt kanotix » 02 Nov 2013, 19:00

pouet ...

:arrow:

Platine d allumage solex proto.jpg


y as plus qu a , le server a toujours les bonnes docs dispo :lol:
fais le toi meme ! aide toi et le ciel t aidera !!

http://www.winux-91.skyrock.com & http://www.jouef-sncf-91.skyrock.com

(°;...;°)
Avatar de l’utilisateur
r4gt kanotix
Grand malade du Solex , irrécupérable
Grand malade du Solex , irrécupérable
 
Messages: 2501
Inscription: 11 Juil 2007, 14:20

1973 origine ameliorer 5000
Haut

Re: platine pour allumage ducati mbk

Messagede campelex_team » 02 Nov 2013, 19:17

oui mais c pour un allumage 103 pas mbk
n°97 campelex_team

1° OA a parsac 2014
1° OA a st severe 2015
Avatar de l’utilisateur
campelex_team
Fou du Solex
Fou du Solex
 
Messages: 276
Inscription: 01 Juin 2009, 20:22
Localisation: champeaux 77

2010 Solex Origine Course Cyl. origine Air 5 Tr
Haut

Re: platine pour allumage ducati mbk

Messagede r4gt kanotix » 02 Nov 2013, 20:26

campelex_team a écrit:oui mais c pour un allumage 103 pas mbk


si ca va dessus , j ai tester Ducati , Moryama & Motoplat , meme mon allumage de tronconeuse se monte dessus :wink:
fais le toi meme ! aide toi et le ciel t aidera !!

http://www.winux-91.skyrock.com & http://www.jouef-sncf-91.skyrock.com

(°;...;°)
Avatar de l’utilisateur
r4gt kanotix
Grand malade du Solex , irrécupérable
Grand malade du Solex , irrécupérable
 
Messages: 2501
Inscription: 11 Juil 2007, 14:20

1973 origine ameliorer 5000
Haut


Répondre
9 messages • Page 1 sur 1

Retourner vers Préparation mécanique base origine

Qui est en ligne

Utilisateurs parcourant ce forum: Aucun utilisateur enregistré et 10 invités

  • Index du forum
  • L’équipe du forum • Supprimer les cookies du forum • Heures au format UTC + 1 heure
Powered by phpBB © 2000, 2002, 2005, 2007 phpBB Group
Traduction par: phpBB-fr.com