Recherche avancée
  • Accueil
  • Forum
  • Garage
  • Blogs
  • Photos
  • Videos
  • Aide
  • Index du forum ‹ Préparation Mécanique Solex ‹ Préparation mécanique base origine
  • Modifier la taille de la police
  • Imprimer le sujet
  • FAQ
  • Membres
  • Connexion

allumage MVT millenium

Origine | Origine Amélioré | Promotion
Répondre
13 messages • Page 1 sur 1

allumage MVT millenium

Messagede useyournose » 23 Nov 2012, 18:12

Bonjour a tous

je veux faire l’acquisition d'un millenium, pouvez vous me donner la référence des votre car je sèche
sur "la becanneire" http://www.la-becanerie.com/cyclo/elect ... t-mvt.html il y en a un mais on mis dit que c'est du 6v (pourtant c'est un ref que des amis on acheté ...)
sur le site MVT http://www.mvt-news.com/fr/allumage_mvt_millenuim.php apparemment soit c'est petit cône soit 6V

je précise que je regarde du coté peugeot car j'ai platine et cone ....

Pour les MBK, quel modèle prendre ? Faut il un cône? et en 12v bien sur .....

bref j'y comprend rien et je trouve infos et contre infos qd je cherche
donc avec VOS références, vous savez ce que vous avez acheté ... ça devrait le faire !
merci de votre aide
MST !!!!!......Motor Solex Team....#66
Avatar de l’utilisateur
useyournose
Pilier de comptoir de Solex-Compétition
Pilier de comptoir de Solex-Compétition
 
Messages: 616
Inscription: 31 Mai 2006, 18:12
Localisation: Cluis
Haut

Re: allumage MVT millenium

Messagede SOLEXGUMP » 23 Nov 2012, 20:00

:salut:

Pour une configuration Peugeot 103 :

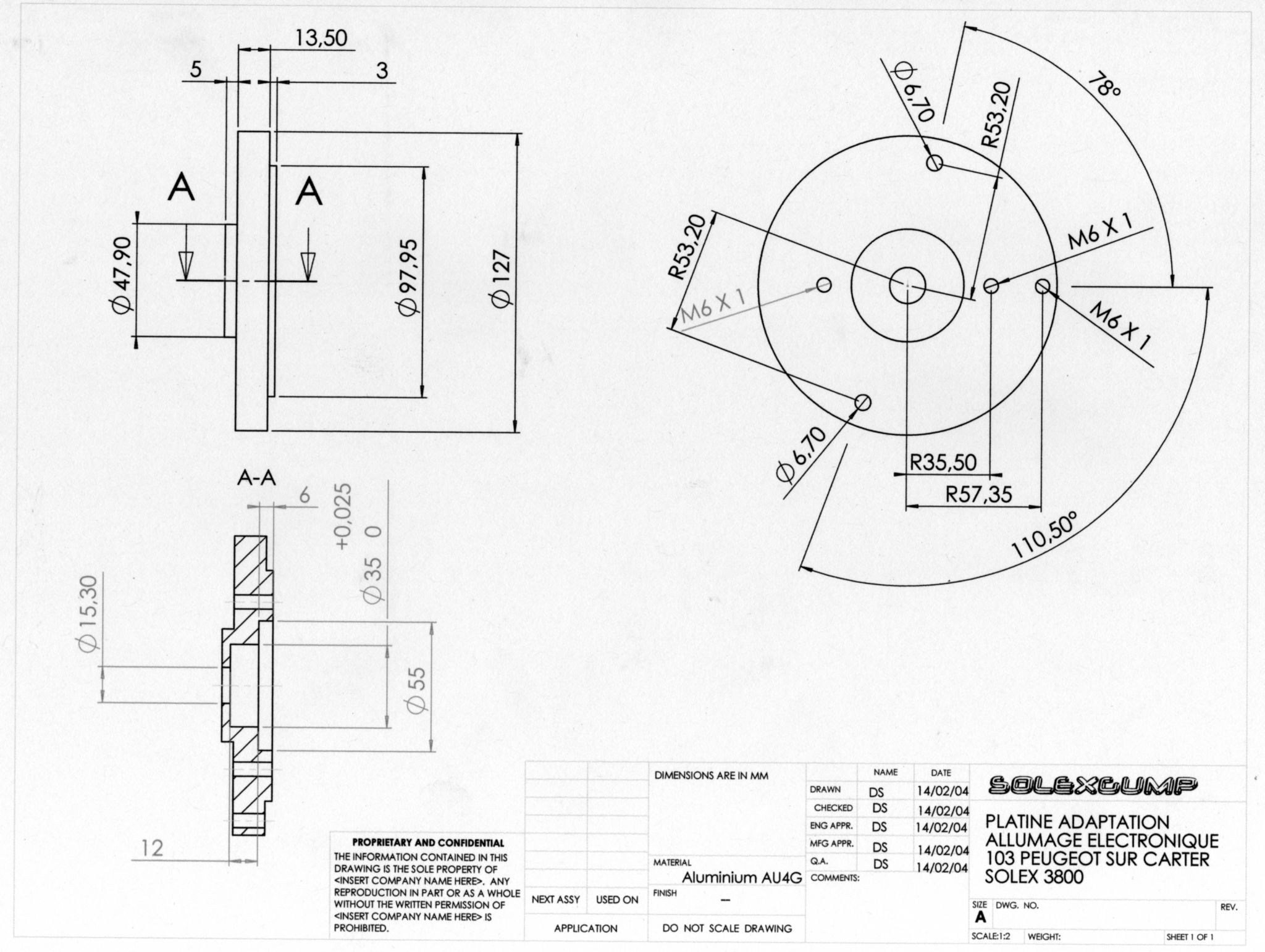
- une platine d'adaptation : garage.php?mode=view_image&image_id=1811
- un cône solex / 103 peugeot gros cône (cône rupteur) : http://www.stoolex.com/menuboutique.htm ... ory_id=158
Image

Mon Blog : http://solexgump.skyrock.com/2.html
Avatar de l’utilisateur
SOLEXGUMP
Ceinture noire de la Préparation
Ceinture noire de la Préparation
 
Messages: 4186
Inscription: 17 Oct 2005, 17:58
Localisation: Autremencourt (02)

2010 Super-prototype liquide
Haut

Re: allumage MVT millenium

Messagede SOLEXGUMP » 23 Nov 2012, 20:01

- un allumage MVT millénium cône rupteur pour 103 peugeot : http://www.la-becanerie.com/cyclo/elect ... t-mvt.html
- une platine allumage 103 peugeot : http://cgi.ebay.fr/167-CARTER-PLATINE-A ... 500wt_1176
Image

Mon Blog : http://solexgump.skyrock.com/2.html
Avatar de l’utilisateur
SOLEXGUMP
Ceinture noire de la Préparation
Ceinture noire de la Préparation
 
Messages: 4186
Inscription: 17 Oct 2005, 17:58
Localisation: Autremencourt (02)

2010 Super-prototype liquide
Haut

Re: allumage MVT millenium

Messagede SOLEXGUMP » 23 Nov 2012, 20:01

- un cache volant : http://www.rrd-preparation.com/fr/Diver ... t-103.html

Et pour les outs de perf, le digimax :http://www.la-becanerie.com/cyclo/electrique/allumages/calculateur-scooter-peugeot.html

voilà pour un ensemble complet compatible solex

a+
Image

Mon Blog : http://solexgump.skyrock.com/2.html
Avatar de l’utilisateur
SOLEXGUMP
Ceinture noire de la Préparation
Ceinture noire de la Préparation
 
Messages: 4186
Inscription: 17 Oct 2005, 17:58
Localisation: Autremencourt (02)

2010 Super-prototype liquide
Haut

Re: allumage MVT millenium

Messagede useyournose » 23 Nov 2012, 20:11

merci Gump !
platine, cone, cache et le reste, j'ai c'est bon

l'allumage, c'est bien lui que j'avais vu mais on m'a dit qu'il etait en 6v, la ca le faisait pas !
infos et contre infos, c'est tjrs chiant !

le digimax apporte vraiment ? (je suis en OA)
MST !!!!!......Motor Solex Team....#66
Avatar de l’utilisateur
useyournose
Pilier de comptoir de Solex-Compétition
Pilier de comptoir de Solex-Compétition
 
Messages: 616
Inscription: 31 Mai 2006, 18:12
Localisation: Cluis
Haut

Re: allumage MVT millenium

Messagede SOLEXGUMP » 23 Nov 2012, 20:23

:salut:

la tension est de 6V, en effet, mais tu t'en fout, tu luises une batterie pour l'éclairage ?

Le digimax, te permet une plage de réglage importante, le comportement moteur d'une courbe à l'autre change pas mal. tu utilises ça quand t'as un moulin qui à la base est bien abouti

a+
Image

Mon Blog : http://solexgump.skyrock.com/2.html
Avatar de l’utilisateur
SOLEXGUMP
Ceinture noire de la Préparation
Ceinture noire de la Préparation
 
Messages: 4186
Inscription: 17 Oct 2005, 17:58
Localisation: Autremencourt (02)

2010 Super-prototype liquide
Haut

Re: allumage MVT millenium

Messagede useyournose » 23 Nov 2012, 20:33

SOLEXGUMP a écrit:La tension est de 6V, en effet, mais tu t'en fout, tu luises une batterie pour l'éclairage ?

oups ...
je veux du 12volt
j'ai un régulateur pour charger la nuit
le problème c'est qu'il existe puisque j'en connais qui en on un !
le second problème c'est que sur leur facture c'est la ref de la bécanerie (et donc de ton lien) ... et tout ca en 12v !
j'ai envoyé un mail a MVT, on verra bien ....

SOLEXGUMP a écrit:Le digimax, te permet une plage de réglage importante, le comportement moteur d'une courbe à l'autre change pas mal. tu utilises ça quand t'as un moulin qui à la base est bien abouti

on ne fait pas d'un ane un cheval de course juste avec le digimax, je m'en doute bien ! ;-)
MST !!!!!......Motor Solex Team....#66
Avatar de l’utilisateur
useyournose
Pilier de comptoir de Solex-Compétition
Pilier de comptoir de Solex-Compétition
 
Messages: 616
Inscription: 31 Mai 2006, 18:12
Localisation: Cluis
Haut

Re: allumage MVT millenium

Messagede SOLEXGUMP » 23 Nov 2012, 20:41

tu me fouts le doute sur la tension, tu as peut être raison, MVT te confirmera, il me semble qu'à l'époque je mettais des lampes dichroïde de 12 V, donc ....
Image

Mon Blog : http://solexgump.skyrock.com/2.html
Avatar de l’utilisateur
SOLEXGUMP
Ceinture noire de la Préparation
Ceinture noire de la Préparation
 
Messages: 4186
Inscription: 17 Oct 2005, 17:58
Localisation: Autremencourt (02)

2010 Super-prototype liquide
Haut

Re: allumage MVT millenium

Messagede NIKITI » 23 Nov 2012, 22:33

useyournose a écrit:oups ...
je veux du 12volt
j'ai un régulateur pour charger la nuit
le problème c'est qu'il existe puisque j'en connais qui en on un !
le second problème c'est que sur leur facture c'est la ref de la bécanerie (et donc de ton lien) ... et tout ca en 12v !
j'ai envoyé un mail a MVT,


Es tu certain que c'est du 12 volt le Mvt de tes potes :?:

Est ce que le MVT pour MBK 51 est en 12 v :?:
Qui veut aller loin, ménage sa monture...
Avatar de l’utilisateur
NIKITI
Passionné du Solex
Passionné du Solex
 
Messages: 88
Inscription: 24 Jan 2011, 09:15
Localisation: Orval
Haut

Re: allumage MVT millenium

Messagede useyournose » 23 Nov 2012, 23:48

burn solex team a écrit:Es tu certain que c'est du 12 volt le Mvt de tes potes :?:


sur et certain car ils ont un phare brancher dessus (12v - 21w)
MST !!!!!......Motor Solex Team....#66
Avatar de l’utilisateur
useyournose
Pilier de comptoir de Solex-Compétition
Pilier de comptoir de Solex-Compétition
 
Messages: 616
Inscription: 31 Mai 2006, 18:12
Localisation: Cluis
Haut

Re: allumage MVT millenium

Messagede SLX Team » 24 Nov 2012, 09:30

:salut: les gars!!!

http://www.la-becanerie.com/cyclo/elect ... t-mvt.html

C'est exactement ce que l'on a... La reference est la même que sur notre bon de commande et de notre facture! Mais nous il est en 12 volts!!! C'est sûr car on a un phare allimenté par l'allumage avec une ampoule 12v 21W. Par contre on ne peut pas mettre plus de 21W.

Peut être qu'ils se sont trompés sur la description, tu les as appellés?

Yann
Avatar de l’utilisateur
SLX Team
Fou du Solex
Fou du Solex
 
Messages: 205
Inscription: 08 Juil 2006, 10:55
Localisation: Neuvy Saint Sepulchre

2006 Solex Origine Course Cyl. Origine Air 3 Tr
  • Site Internet
  • Garage
Haut

Re: allumage MVT millenium

Messagede useyournose » 24 Nov 2012, 10:46

mail envoyé a la bécannerie aussi.. on verra bien
si MVT et eux me répondent des trucs différent qu'est ce qu'on fait? :crasy: :crasy: :crasy: ;-)
MST !!!!!......Motor Solex Team....#66
Avatar de l’utilisateur
useyournose
Pilier de comptoir de Solex-Compétition
Pilier de comptoir de Solex-Compétition
 
Messages: 616
Inscription: 31 Mai 2006, 18:12
Localisation: Cluis
Haut

Re: allumage MVT millenium

Messagede jean-sebBrest » 24 Nov 2012, 11:51

salut. par contre je le trouve un peu cher. moi les miens c'etait dans les 150.et il y en a plein a vendre sur ebay et le bon coin.
il faut toujours taper sur le meme pour faire le moin de mécontants.
Avatar de l’utilisateur
jean-sebBrest
Grand malade du Solex , irrécupérable
Grand malade du Solex , irrécupérable
 
Messages: 2943
Inscription: 11 Oct 2006, 14:23
Localisation: brest

2010 Prototype Cyl. Origine Air 3 Tr
Haut


Répondre
13 messages • Page 1 sur 1

Retourner vers Préparation mécanique base origine

Qui est en ligne

Utilisateurs parcourant ce forum: Aucun utilisateur enregistré et 25 invités

  • Index du forum
  • L’équipe du forum • Supprimer les cookies du forum • Heures au format UTC + 1 heure
Powered by phpBB © 2000, 2002, 2005, 2007 phpBB Group
Traduction par: phpBB-fr.com